Hebetechnik
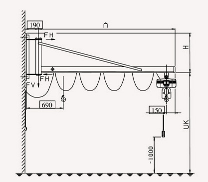
Wandschwenkkran LW![]() |
21.02V001 |
Säulenschwenkkran LSX![]() |
21.01V012 |
Zweischienenkran · auf Ständer montiert![]() |
22.03V011 |
Fenstertransportvorrichtung![]() |
26.03V001 |
Vakuum Hebe- und Transportgerät![]() |
26.03V002 |
Vakuum Hebe- und Transportgerät für Kettenzug![]() |
26.03V003 |
Vakuum Hebe- und Transportgerät mit pneum. Hebezeug![]() |
26.03V006 |